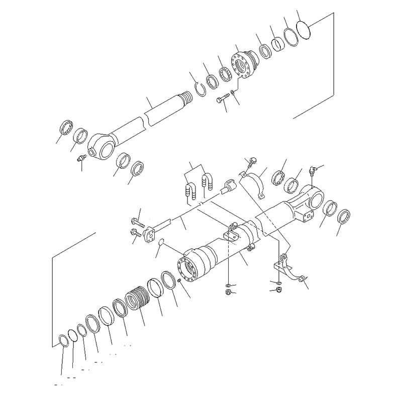
707-01-0A320:Гидроцилиндр ковша
Для спецтехники:
PC200-7
,
Гидроцилиндр ковша — одно из самых уязвимых мест экскаватора, постоянно подвергаемое серьезным нагрузкам. Часто эта деталь получает механические повреждения из-за нарушений условий эксплуатации или выходит из строя в результате износа штока. Запчасть 707-01-0A320:Гидроцилиндр ковша позволит вам выполнить качественный ремонт и увеличить срок службы гидросистемы и всей машины, а также улучшить характеристики оборудования.
Закажите запасные части отличного качества в нашем интернет-магазине по выгодным ценам в Нягани.
Технические характеристики 707-01-0A320:Гидроцилиндр ковша
Диаметр гильзы (поршня), мм
115
Диаметр штока, мм
80
Ход штока, мм
1120
Масса, кг
160
Давление, МПа
35
Таблица носит ознакомительный характер, подробности уточняйте у менеджеров по телефону или в заявке на сайте.
Доставка
по
России
Способы
оплаты
Банковским
переводом
Отзывы
01.12.2021
Шарапов Дмитрий
Качественная деталь, новая, не б/у с разбора. Все диаметры и размеры равны заявленным. Ставили на Komatsu PC200-7, 2008 г.в. Села как влитая, как и говорил консультант, работает. Цена приемлемая, отправили быстро. Спасибо
01.01.1970
Симонов Николай
Брали на Komatsu PC200-7. Деталь подошла, шток встал плотно, всё ок... Понравилась оперативная работа и грамотность менеджера, на 5+. Заказ доставили вовремя, упаковка что надо. Плюс цены чуть ниже, чем у других поставщиков, с которыми мы работали. Будем заказывать еще!








